注明:变压器图像视觉检测设备检测项目,均需在影像下清晰可见才能检测。检测效率:每分钟检测数量 不低于60件(取决于产品送料速度)。
商务咨询:178-5603-5060(微信同号)
一、检测内容及要求
检测内容:
|
序号 |
检测位置 |
检测方式 |
是否可检 |
备注 |
|
1 |
背光模组检测 |
正光检测 |
可检 |
局部检测 |
注明:变压器图像视觉检测设备检测项目,均需在影像下清晰可见才能检测。检测效率:每分钟检测数量 不低于60件(取决于产品送料速度)。
二、变压器图像视觉检测设备组成及主要机构
设备型号:SP-T300非标定制机 外形尺寸:900*800*1850mm
组成部件清单:
|
序号 |
部件名称 |
规格型号 |
数量 |
备注 |
|
1 |
视觉检测软件 |
SIPOTEK |
1套 |
数据可上传 |
|
2 |
工业电脑 |
SIPOTEK定制 |
1套 |
|
|
3 |
显示器 |
PHILIPS 19”液晶显示器 |
1台 |
|
|
4 |
工业相机 |
Barsler工业相机 |
1套 |
|
|
5 |
相机调节伺服模组 |
SIPOTEK定制 |
1套 |
|
|
6 |
工业镜头 |
FA高清光学工业镜头 |
1套 |
|
|
7 |
光源 |
定制光学自适应光源 |
1套 |
|
|
8 |
检测平台 |
SIPOTEK定制一键测量 |
1套 |
|
变压器图像视觉检测设备外观3D立体图
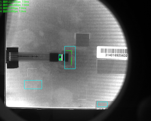
三、样件测试图片:
正光检测不良品分析图(局部):NG 不良特征:1.2.3.4


正光检测不良品分析图(局部):NG 不良特征:6.7.8


正光检测不良品分析图(局部):NG 不良特征:5.3

正光检测不良品分析图(局部):NG 不良特征:10.9